Podczas instalacji systemu alarmowego spotykamy różne typy połączeń linii dozorowej. Linie dozorowe, a raczej sposoby ich podłączeń rozwijały się wraz z rozwojem systemów SSWIN.
NO – Normal Open (normalnie otwarty)

Czujki mają zastosowane przekaźniki typu NO, czyli podczas naruszenia czujnika przekaźnik zamyka obwód (zwiera styki). Rozwiązanie to jest niebezpieczne, ponieważ łatwo można sabotować linię dozorową, przecinając przewód od czujnika. Centrala nie jest w stanie dostrzec takiego zdarzenia, ponieważ obwód był w stanie rozwartym.
NC – Normal Close (normalnie zamknięty)

W tych czujkach został zastosowany przekaźnik typu NC, podczas czuwania obwód linii dozorowej jest zwarty. Rozwiązanie to jest bezpieczniejsze od jego poprzednika, ponieważ podczas naruszenia czujnika obwód zmienia stan na rozwarty. Centrala dostrzega przerwę w obwodzie i wywołuje alarm. Rozwiązanie to pozwala wykluczyć próbę przecięcia przewodu, ponieważ obwód zostanie otwarty co, spowoduję wywołanie alarmu.
EOL – End Of Line (koniec linii, sparametryzowany)


Typ połączenia, w którym na końcu linii dodajemy rezystor parametryczny o wartości 2,2k Ω. Występuje w dwóch wariantach EOL/NC oraz EOL/NO. NO i NC jest oznaczeniem typu zastosowanego przekaźnika w czujkach. Rezystor zastosowany w tej konfiguracji odpowiada za parametryzowanie linii dozorowej. W przypadku, kiedy potencjalny intruz próbuje zewrzeć przewody, powoduje spadek rezystancji, co skutkuje, wywołaniem alarmu sabotażowego.
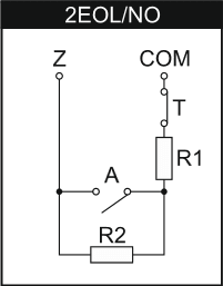
2EOL | DEOL — podwójnie sparametryzowana


Typ linii podwójnie sparametryzowanej oczywiście występującej również w dwóch wariantach 2EOL/NO oraz 2EOL/NC. W tym połączeniu stosuje się dwa rezystory parametryczne o wartości 1,1k Ω, dzięki czemu centrala potrafi rozróżnić 3 stany alarmu na jednej linii dozorowej. Są to: naruszenia, sabotaż oraz przecięcie przewodu. Ponadto dzięki temu rozwiązaniu wykorzystujemy tylko cztery przewody (w skrajnych przypadkach możemy użyć tylko trzech) razem z zasilaniem dla np. czujki PIR.
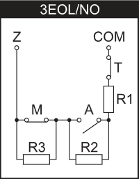
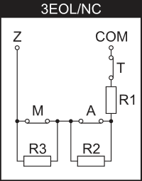
3EOL – potrójnie sparametryzowana


Typ linii, w którym stosuję się 3 rezystory parametryczne o wartości 1,1k Ω dla czujek, które posiadają czujnik Anty Masking-u (AM). Centrala alarmowa rozróżnia takie same typy alarmu jak, przy 2EOL oraz próbę zamaskowania czujki.